高壓膠管液氮冷凍系統解決方案

時間:2019-05-06 10:22來源: 作者:班德液氮罐 點擊:
液氮罐補液控制系統由液氮補液罐、低溫智能化控制系統、閥門組件控制電磁閥和真空比例閥箱、PLC編程器、智能化控制人機交互控制終端、不間斷電源、溫度及壓力傳感器監控探頭系統及反饋電路系統組成,功能可根據客戶需求,定制相關罐體自動增壓-出液-排氣的壓力及流量控制程序。
  液氮罐補液控制系統可以根據客戶需求擴展相關功能,用于客戶應用不同的用途場所。如使用自增壓液氮罐的智能化液氮冷卻系統。儲存型液氮罐的液氮罐補液系統液氮罐監控系統液氮存儲監控,和氮氣輸出等用途,還可以作為冰箱后備液氮補液系統。該系統也主要應用于高壓膠管液氮冷凍系統解決方案
控制系統的功能都可以在系統內部整合搭建,低溫-196度閥體部件的耐老化程度高,可以常年使用,對液氮罐體的監控功能可以達到精準并上傳網絡實時報警的功能。為您的液氮罐或氣瓶產品提供安全保證。保證液氮補液沖裝的及時性能夠得到保證。給冰箱,低溫處理設備,液氮低溫箱,速凍箱等產品提供超低溫液氮保證。單一液氮罐,或者獨立氣瓶,多個氣瓶都可以達到智能監控的目的。
產品功能:
  1. 可設定壓力控制精度和范圍。
  2. 可設定出液流量,精度等。
  3. 可設定增壓調節,自動增壓。
  4. 可根據外接客戶設備接入的信號進行自動反饋行為
  5. 可提高/降低精度控制,人為干預電磁閥操作開闔
  6. 配合液氮容器進行智能化配套使用。
  7. 為客戶進行其他定制化功能
  8. 可定制遠程PC操控系統功能
 
液氮罐補液控制系統技術優勢:
  1. 控制系統使用液晶大屏幕直觀模式操作 可選7寸觸摸屏或其他可選尺寸觸摸屏
  2. 采用進口電磁閥
  3. 編程器采用西門子PLC
  4. 使用真空比例閥箱精細化調節流量
  5. 系統內部操作數據曲線可以導出
 
一  PLC大屏幕控制系統 (可定制遠程操控)

















二  西門子S7-200 SMART可編程控制器
S7-200 SMART SR/ST CPU 模塊本體集成 1 個以太網接口和 1 個 RS485 接口,通過擴展 CM01 信號板或者 EM DP01 模塊,其通信端口數量最多可增至 4 個,可滿足小型自動化設備與觸摸屏、變頻器及其它第三方設備進行通信的需求,全新的 S7-200 SMART CPU 模塊,可全方位滿足不同行業、不同客戶、不同設備的各種需求。
SR/ST 標準型CPU 可擴展 6 個擴展模塊和 1 個信號板,適用于 I/O 點數較多,邏輯控制較為復雜的應用。
• SR/ST CPU 模塊具備 20I/O、30I/O、40I/O、 60I/O 四種配置
• 集成高速處理器芯片,位指令執行時間可達 0.15μs
• 通過信號板可擴展通信端口、模擬量通道、數字量通道和時鐘保持功能
• SR/ST CPU 模塊本體集成以太網接口和 RS485 串口,支持以太網接口下載程序
• 支持 Modbus RTU、USS、PROFIBUS-DP、自由口通信等
• 本體最多集成 3 路 100KHz 高速脈沖輸出
• 支持通用 Micro SD 卡下載程序、更新 PLC 固件和恢復出廠設置
• 新版編程軟件,融入多項人性化設計,項目開發更加高效
• PM207為整個系統提供高品質的直流供電

 
機柜內部實拍圖

 
通用7寸觸摸屏操控界面

 
 
三  真空比例調節閥
真空比例調節閥是由多彈簧執行機構和調節閥組件組成,公稱通徑由20至300mm,公稱壓力1.6MPa,使用溫度范圍由-200℃~50℃。它以壓縮空氣為動作力,接受標準信號4~20mADC,將此轉為與輸入信號相對應的上下位移,改變閥門的開度位移,從而達到對工藝管路流體介質如壓力、流量、溫度、液位等參數的自動調節控制。
產品特點
1、采用平衡型閥芯,不平衡力小,允許壓差大,操作穩定。
2、閥芯導向面大,可改善由渦流和沖擊引起的振蕩。
3、比普通的單、雙座調節閥噪聲降低10dB左右。
4、采用自對中無螺紋卡入式閥座結構和模塊化設計, 閥門拆裝方便。
5、調節切斷型可采用軟密封結構閥芯,達VI級泄漏標準(零泄漏)。
6、波紋管密封型調節閥對移動的閥桿形成完全的密封,堵絕流體外漏。
 
公稱通徑DN(mm) 20 25 32 40 50 65 80 100 125 150 200
額定流量系數KV 直線 7.6 12.1 19.4 30.3 48.3 75.9 121 193.6 302.5 484 759
等百分比 6.9 11 17.6 27.5 44 69.3 110 176 275 440 693
執行機構型號 正作用 ZHA-22 ZHA-23 ZHA-34 ZHA-45
反作用 ZHB-22 ZHB-23 ZHB-34 ZHB-45
額定行程L(mm) 16 25 40 60
膜片有效面積Ae(cm2) 280 400 600 1000
公稱壓力PN(MPa) 1.6 2.5 4.0 6.4
流量特性 直線 等百分比
法蘭標準 GB/T9113 、 JB/T79
閥體材質 碳鋼WCB(閥芯、閥座不銹鋼304)、不銹鋼304、316、珞鉬鋼等其它特殊材質可定做
允許泄漏量   0.01%×閥額定容量(硬密封)、零泄漏(軟密封)
 作用方式  氣關式 氣開式 
信號范圍Pr(KPa) 20-60、20-100、40-200、60-100、80-240
氣源壓力Ps(MPa) 0.14、0.25、0.28、0.40
輸入信號 0~10V .DC或4~20mA.DC
輸出信號 4~20mA.DC(添加功能)
使用環境 環境溫度-20~70 ℃ 濕度 定位器:≤ 95%
其它功能 防護等級:IP55、隔爆標志:ExdⅡBT4(ExdⅡBT6特殊定制)、手操功能:添加
 
 
 
比例閥雙系統設置及監控界面

集成客戶設備 比例閥及PLC控制系統

 
四  進口超低溫電磁閥
 
規格型號:Z10B
閥體材質:304不銹鋼/黃銅
連接方式:G3/8(其他連接方式可定做)
公稱尺寸:DN10
電源電壓:DC24V(DC12V  AC110V AC220V)
工作壓力:3MPA(其他壓力可協商定做)
介質種類:液氮、液氧、液化氣,低溫介質
介質溫度:-200℃
控制方式:常閉(常開)
 

 
 
五  數顯遠程液位計

六 液氮罐供液

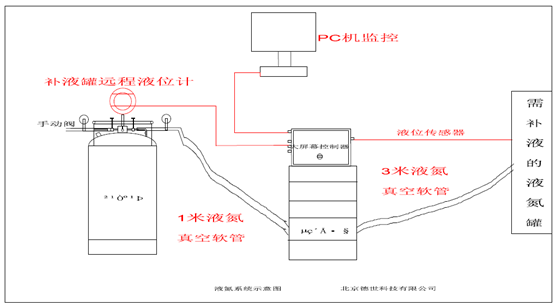
七  客戶案例示意圖
客戶案例示意圖一

客戶案例示意圖 二

客戶案例示意圖 三
本文鏈接地址:http://m.dsftex.com.cn/1155.html
收縮
  • 電話咨詢

  • 15611258074
  • 微信咨詢
微信二維碼
展開 收縮
  • 電話咨詢

  • 15611258074
  • 微信咨詢
微信二維碼